
وصف مفصل للمنتج
| مميزات: | سرعة عالية | سرعة الوسم: | 60-200 قطعة / دقيقة |
|---|---|---|---|
| وظيفة: | الملصق الملصق الملصق | مواد: | ستانلس ستيل |
| نوع الزجاجة: | جرة زجاجة مستديرة أوتوماتيكية | تطبيق: | لجميع أنواع الحاويات المستديرة |
| العلامة التجارية Plc: | ميتسوبيشي (اليابان) | محرك وضع العلامات المؤازر: | دلتا (تايوان) |
آلة وسم زجاجة النبيذ الأحمر آلة وسم زجاجة النبيذ ، نظام التحكم PLC MITSUBISHI آلة وسم العلامة التجارية
ميزات:
1. التشغيل: نظام التحكم PLC يجعل آلة الوسم سهلة التشغيل
2. المواد: الجسم الرئيسي لآلة الوسم مصنوع من الفولاذ المقاوم للصدأ SUS304
3. التكوين: تتبنى آلات وضع العلامات لدينا أجزاء ذات علامات تجارية مشهورة يابانية ، ألمانية ، أمريكية ، كورية أو تايوانية
4. المرونة: يمكن للعميل أن يختار إضافة طابعة وآلة رمز. يمكن أن تختار للتواصل مع كونفيرير أم لا.
المعايير الفنية:
| اسم | زجاجة نبيذ دائرية أوتوماتيكية لسرعة عالية كم يتقلص آلة وسم زجاجة مستديرة |
| سرعة وضع العلامات | 60-350 قطعة / دقيقة |
| ارتفاع الجسم | 30-350 ملم |
| سماكة الكائن | 20-120 ملم |
| ارتفاع التسمية | 5-180 ملم |
| طول التسمية | 25-300 مم |
| أسطوانة التسمية داخل القطر | 76 ملم |
| بكرة التسمية خارج القطر | 420 ملم |
| دقة الملصقات | ± 1 مم |
| مزود الطاقة | 220 فولت 50/60 هرتز 3.5 كيلو واط |
| استهلاك الغاز للطابعة | 5 كجم / م 2 (في حالة إضافة آلة ترميز) |
| حجم آلة الوسم | 2800 (L) × 1650 (عرض) × 1500 (ارتفاع) ملم |
| وزن آلة الوسم | 180 كجم |
ترتيب
| لا. | جزء | علامة تجارية | كمية |
| 1 | PLC | MITSUBISHI (اليابان) | 1 |
| 2 | المحول الرئيسي | دانفوس (الدنمارك) | 1 |
| 4 | HMI | WEINVIEW (تايوان) | 1 |
| 5 | محرك وضع العلامات المؤازر | دلتا (تايوان) | 1 |
| 6 | محرك وضع العلامات المؤازر | دلتا (تايوان) | 1 |
| 7 | محرك ناقل | HY (تايوان) | 1 |
| 8 | علبة تروس المحرك الناقل | HY (تايوان) | 1 |
| 9 | تقسيم محرك الزجاجة | GPG (تايوان) | 1 |
| 10 | تقسيم علبة التروس المحرك | GPG (تايوان) | 1 |
| 11 | حاكم سرعة فصل الزجاجة | GPG (تايوان) | 1 |
| 12 | تكلم المحرك | GPG (تايوان) | 1 |
| 13 | تكلم علبة التروس المحرك | GPG (تايوان) | 1 |
| 14 | كائن كشف العين السحرية | أومرون (اليابان) | 1 |
| 15 | الألياف البصرية | أومرون (اليابان) | 1 |
تفاصيل الجهاز:

32 جزء رئيسي لآلة الوسم

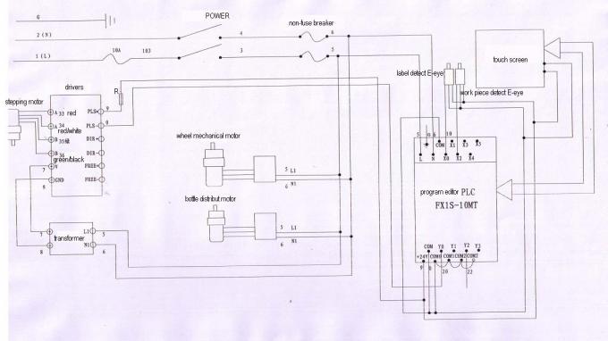
مخطط الرسم البياني

التعليمات:
1.label يحصل على فقاعات
الأسباب:
① تقشير اللوح ليس جيدًا / ليس مسطحًا ؛
② لوح المحراث ليس جيدًا / غير مسطح ؛
إخراج الملصقات سريع جدًا أو أن سرعة خط التجميع منخفضة جدًا ؛
تم سحب الملصق بشكل فضفاض للغاية
حلول:
① تغيير لوح التقشير المسطح ؛
② تغيير لوح محراث مسطح ؛
③ إبطاء سرعة إخراج الملصقات أو زيادة سرعة خط التجميع ؛
④ تأثير على حزام الملصق بشكل صحيح.
بطاقة شعار: آلة وضع العلامات الصناعية ، آلة وضع العلامات على الزجاجات









